Contents First Prev Home Next Last
QCad User Reference Manual
 
   

3 Základní pojmy v CADu

Tato kapitola si klade za cíl seznámit vás se základními pojmy v CAD systému. Pokud jste již někdy nějaký CAD systém používali nebo používáte, můžete tuto kapitolu přeskočit. Všechny pojmy v této kapitole uvedené, budou později popsány podrobněji.

Entity

Entity jsou grafické objekty CADu. Typickými entitami podporovanými většinou CAD systémů jsou: body, úsečky a kruhové a elipsovité oblouky. Komplexnějšími entitami a entitami specifickými určitému CADu jsou lomené čáry, text, kóty, šrafy a spline křivky.

Vlastnosti

Každá entita má určité vlastnosti jako je její barva, typ čáry a její tloušťka.

Hladiny

Základem rýsování pomocí počítače je použití hladin pro zpřehlednění výkresu. Na výkresu se každá entita nachází pouze v jedné hladině. Hladina může obsahovat mnoho entit. Ve stejné hladině se typicky nacházejí entity se stejnou 'funkcí' nebo společnými vlastnostmi. Například všechny osy na výkresu můžete vložit do jedné hladiny pojmenované 'osy' (viz obrázek 1). Hladiny mají vlastnosti - barvu, tloušťku čáry, typ čáry. Každá entita může mít své vlastní vlastnosti, nebo může mít vlastnosti hladiny, ve které je umístěna. Později můžete měnit například barvu všech os na výkrese změnou barvy hladiny 'osy'.

Při ručním kreslení se používá podobný způsob. Různé systémy budov, jako je například kabeláž nebo klimatizace, jsou často kresleny na samostatné průhledné archy papíru (pauzovací papír). Tyto archy jsou poté položeny přes sebe a vytvoří tak konečný výkres.

Figure 1: Příklad použití hladin.

Bloky

Blok je skupina entit. Bloky mohou být vkládány do stejného výkresu vícekrát a to i s různými vlastnostmi a na různá místa, v jiných měřítcích a pod různými úhly natočení (viz obrázek 2). Jednotlivé instance bloku se nazývají 'vložky'. Vložky mají stejně jako entity a hladiny své vlastnosti. Entita, která je součástí vložky může mít své vlastní vlastnosti, nebo může mít vlastnosti vložky. I když jsou vložky již umístěny do výkresu, stále jsou svázány s původním blokem. Sílou tohoto způsobu je fakt, že pokud změníme původní blok, tak se odpovídajícím způsobem změní i všechny jeho vložky ve výkresu.

Figure 2: Tři instance (vložky) bloku v různých barvách, úhlech natočení měřítcích.

Kreslení za pomoci CADu

V mnoha směrech je kreslení v CADu podobné klasickému kreslení. Když kreslíte návrh nebo pohled na objekt na papír, používáte k tomu nástroje jako třeba pravítko pro tvorbu úseček. Pro dosažení stejného cíle je v CADu k dispozici množství nástrojů. Velkou výhodou CADu je, že můžete změnit jakýkoliv prvek na výkrese i po jeho vytvoření. Naučit se to může být nejobtížnější věcí při přechodu z kreslení na rýsovacím prkně do CADu. Při práci v CADu se velmi často tvoří čáry, které nebudou na finálním výkresu vytištěny, nebo nemají správnou délku a později bude nutno je zkrátit (viz obrázek 3). Běžnou chybou začátečníků je jejich potřeba tvořit výkres ihned "načisto".

Figure 3: Tři možné kroky jak rychle vytvořit výkres s použitím pomocných konstrukcí a možnosti CADu provádět změny již existujících entit.

Souřadné systémy

Pokud chcete používat jakýkoliv CAD program co nejlépe, je velice důležité pochopit, jak fungují souřadné systémy. Pokud nejste dobře obeznámeni se souřadnicemi, velice doporučuji, abyste věnovali pár chvil pro seznámení se se základními pojmy.

Počátek

Počátek na výkresu je bod, kde se navzájem protínají osy X a Y. Toto je absolutní nula ve výkresu. V QCadu je k tomuto počátku přidán ještě relativní nulový bod. To je pomocný bod, který mění svou polohu s ohledem na aktuální potřeby uživatele.

Kartézské souřadnice

(pojmenováno po francouzském filosofovi René Descartovi 1596-1650)

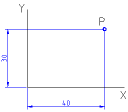
Kartézský souřadný systém je standardní souřadný systém , kde je poloha bodu určena jeho vzdáleností od os X a Y. V QCadu jsou kartézské souřadnice zapisovány ve tvaru:

souřadnice X, souřadnice Y

kde souřadnice X může být číslo jako třeba 2.5 nebo matematický výraz jako například cos(30)/2 (viz Matematické výrazy).

Figure 4: Absolutní kartézské souřadnice 40,30.

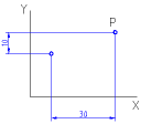
Kartézské souřadnice mohou také vzniknout v místech mimo počátek. Potom mluvíme o 'relativních souřadnicích'. V QCadu jsou relativní kartézské souřadnice zapisovány ve tvaru:

@souřadnice X,souřadnice Y

Figure 5: Relativní kartézské souřadnice @ 30,10.

Polární souřadnice

Polární souřadnice používají pro popis polohy bodu vzdálenost a úhel. Polární souřadnice jsou v QCadu zapisovány ve tvaru:

vzdálenost<úhel

Figure 6: Absolutní polární souřadnice 50<37.

Stejně jako kartézské souřadnice i polární souřadnice se mohou nacházet v místech mimo počátek souřadného systému. V QCadu jsou relativní polární souřadnice zapisovány ve tvaru:

@vzdálenost<úhel

Figure 7: Relativní polární souřadnice @31.6<18.4 .

Uchopení objektů a uchopení do mřížky

Kdykoliv potřebujete v QCadu určit souřadnici, můžete použít funkci uchopení, která vám umožňuje přesně vybrat body mřížky, nebo důležité body na již existujícím objektu: koncové body úsečky, body v půli úsečky, apod.

V kapitole "Uchopení objektů" je uveden přehled všech úchopných nástrojů.

Základní úpravy

Entity mohou být vkládány, vybírány a pokud jsou již jednou vybrány, mohou být smazány, přesunuty nebo zkopírovány. Vložením entity máme na mysli její nakreslení za použití příslušných nástrojů, jako je například úsečka, oblouk, atd. a zadáním bodů, které kreslený objekt definují, jako jsou například koncové body úsečky.

Kapitola "Příkazy pro kreslení objektů" uvádí přehled všech nástrojů, které je možno použít pro kreslení.

Výběr entit

Před smazáním, kopírováním nebo posunutím musí být entity nejprve vybrány. Výběr entit je jednou z nejzákladnějších operací v CADu. QCad nabízí velké množství nástrojů pro rychlý výběr skupin prvků, entit uvnitř oblasti, spojených entit, apod.

Kapitola "Výběr prvku" vás uvede do základů práce s nástroji QCadu pro výběr entit.

Mazání

Smazáním prvku je myšleno jeho odstranění z výkresu.

Úpravy

Základní úpravy v CADu zahrnují posun, otočení, zrcadlení a změnu měřítka. Stejně jako tyto operace, které nemění charakteristickou geometrii, existují i nástroje, kterými lze tuto geometrii upravovat. Můžete přerušovat, zkracovat, prodlužovat a natahovat existující entity.

Kapitola "Úpravy" popisuje všechny nástroje pro úpravu a mazání entit

Zobrazování v CADu

Narozdíl od ručního kreslení není v CADu potřeba dopředu určovat velikost papíru a měřítko výkresu. Zde neexistuje měřítko výkresu: všechny velikosti a vzdálenosti jsou určeny jejich skutečnými hodnotami. Desetimetrový objekt je nakreslen jako 10-ti metrový objekt. Pouze při tisku je potřeba určit měřítko výkresu s ohledem na velikost papíru a velikost samotného nákresu.

Uživatel může na monitoru nastavit aktuálně zobrazovanou oblast výkresu zvětšením pohledu, aby byly lépe vidět detaily, nebo zmenšením, aby byla zobrazena větší oblast, Jinou důležitou operací v CADu je posun. Pokud chce uživatel vidět jinou část výkresu aniž by měnil měřítko, "posune se" obdélníkovým oknem nad požadovanou oblast.

Kapitola "Zobrazování" je celá o zvětšovacích (zmenšovacích) a zobrazovacích funkcích.

   
  Contents First Prev Home Next Last

Copyright � 2004 RibbonSoft, Inc.
All Rights Reserved.
This Manual was created with ManStyle.